Field effect transistor

Der findes to typer Field effect transistorer, N-kanal og P-kanal.

Diagramsymbol for N-kanal.

1

N-kanalen skal have en negativ spænding på gaten og en positiv spænding på drainen, i forhold til sourcen.

Diagramsymbol for P-kanal.

1

P-kanalen skal have en positiv spænding på gaten og en negativ spænding på drainen, i forhold til sourcen.

Triode- og pinch-off område.
1

I triodeområdet (det ohmske område) varierer drainstrømmen stærkt med drainspændingen, det medfører en lav udgangsmodstand i dette område. Fet'en kan her anvendes som en spændingsstyret modstand.

1

I pinch-off området ID tilnærmelsesvis uafhængig af UDS, det medfører en høj udgangsmodstand i dette område.

1

Strømmen ID afhænger kun af gate-source spændingen i pinch-off området, hvilket anvendes når transsistoren arbejder som spændingsforstærker.

Stejlhed.
Komponentens stejlhed er et udtryk for drainstrømmens afhængighed af gate-sourcespændingen.

1

Stejlheden (Forward Transfer Admittance) forkortes gm, gfs eller Yfs.

1

Udgangsadmittans.
Udgangsledningsevnen er forholdet mellem strømændringen i drain og spændingsændringen over drain-source og benævnes YOS.

1

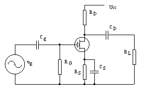
Jordet sourcekobling.
1

Rs frembringer gate-sourceforspændingen, idet gaten holdes på stel ved hjælp af RG og at RS løfter sourcen fra stel, derved bliver UGS negativ.

De nedre grænsefrekvenser fn, for de enkelte kondensatorer, findes ved:

1

Hvis det tilsluttet generators udgangsimpedans er stor, skal den adderes til RG i formlen

1

1

Ved konstruktions beregning vil man dimensionere kondensatorene 10 gange større, end beregnet med ovenstående formler.

Spændingsforstærkningen findes ved:

1

1

Zin er ved lave frekvenser lig med RG. Ved højere frekvenser skal der tages hensyn til kapaciteterne Crss og Ciss.

1

Crss antager en værdi, som set fra gaten, er spændingsforstærkningen støre.

1

Zin bliver da:

1

Zout findes ved:

1

Jordet drain (sourcefølger).
1

Spændingsforstærkningen findes ved:

1

Zout findes ved:

1

Jordet gate.
1

Karakteristiske data.
1 den maksimale spænding mellem drain og source.
1 den maksimale spænding mellem drain og gate.
1 den maksimale spænding, der må påtrykkes gate-source dioden i spærreretningen.
1 den maksimale strøm, der må løbe i gatetilledningen, når gate-source dioden er forspændt i lederetningen.
1 den største effekt, der må afsættes i FET'en, er ofte angivet ved en bestemt temperatur. TA.
1 den største temperatur, krystallet må antage ved drift.
1 det temperatur område, hvor FET'en kan lagres, uden den er tilsluttet.
1 drainstrømmen ved nul volt gatespænding og med en specificeret 1 værdi
1 gate-source break down spænding lig med maks. styrespænding, der må påtrykkes FET'en.
1 gate-drain break down spænding.
1 den påkrævede styrespænding på gaten, der skal til for at opnå en angivet strøm ved en specificeret DS spænding.
1 gate-source pinch-off spænding dvs. den gatespænding hvor 1 er reduceret til en angivet mindste værdi.
1 gate reverse strøm dvs. gatespærrestrømmen målt ved en specificeret gatespænding og kortsluttet drain-source.